
Typical Applications


SS 1200 Series Fact Sheet
Channel Length: 2′ (24″), 4′ (48”)
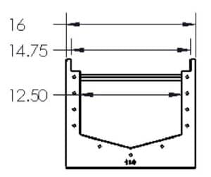
Channel Width (OD): 16″
Channel Width (ID): 12.50″
Outlet Sizes: 4″, 6″, 8″, & 10″
Available Slope: 1%
Continuous Heat: 212°
Origin: Made in the USA
Channel Details
Channels connect with a bolted, flanged connection between sections that will not separate during installation and have a smooth v-shaped profile. End and bottom outlets are available in 2″, 3″ and 4″ diameters. Tee sections, 90° elbows, catch basins and debris strainers are also available. Bottom outlets (4″ diameter) and end outlets can be utilized on every fifth channel. To reach your full run length, select a channel with an outlet, then add channels upstream to the desired length of your total run.
CHANNEL TYPES (See Chart)
B = Bottom Outlet
H = Half Channel 24″ in Length
HB = Half Channel w/Bottom Outlet
N = Neutral Channel (No Slope)
NB = Neutral Channel w/Bottom Outlet

Trench Covers
Grate covers for the system including catch basins range from Load Class A to F including options with H-20 and/or FAA load ratings along with ADA compliance with appropriate locking devices to secure drain grates into position and deter theft.